একটি ডিসর্পশন ইলেক্ট্রোলাইটিক সিস্টেম কী এবং কেন এটি আধুনিক সোনা নিষ্কাশনের জন্য অপরিহার্য

ডিসোর্পশন ইলেক্ট্রোলাইটিক সিস্টেমআধুনিক সোনা আহরণে একটি গুরুত্বপূর্ণ প্রযুক্তি, বিশেষ করে কার্বন-ইন-পাল্প (সিআইপি) এবং কার্বন-ইন-লিচ (সিআইএল) প্রক্রিয়ায়। এই ব্লগটি অন্বেষণ করে কিভাবে সিস্টেমটি কাজ করে, এর উপাদানগুলি, সুবিধাগুলি এবং কেন এটি দক্ষ সোনা পুনরুদ্ধারের একটি মান হয়ে উঠেছে৷ কোম্পানিগুলি কীভাবে পছন্দ করে তাও আমরা তুলে ধরিEPICএই ক্ষেত্রে উদ্ভাবন ড্রাইভিং. শেষ পর্যন্ত, এই সিস্টেমটি কীভাবে উত্পাদনশীলতা বাড়ায়, খরচ কমায় এবং পুনরুদ্ধারের হার উন্নত করে সে সম্পর্কে আপনার একটি বিস্তৃত ধারণা থাকবে।

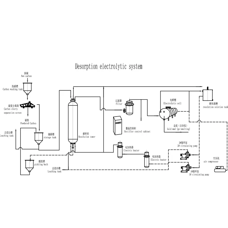
Desorption Electrolytic System

সূচিপত্র


একটি desorption ইলেক্ট্রোলাইটিক সিস্টেম কি?

A ডিসোর্পশন ইলেক্ট্রোলাইটিক সিস্টেমসক্রিয় কার্বন থেকে সোনা বের করতে ব্যবহৃত একটি উন্নত স্বর্ণ পুনরুদ্ধার ব্যবস্থা। এটি খনির ক্রিয়াকলাপে ব্যাপকভাবে প্রয়োগ করা হয় যেখানে লিচিং প্রক্রিয়া চলাকালীন কার্বন কণাগুলিতে সোনা শোষিত হয়।

  • শোষণ: উচ্চ-তাপমাত্রা এবং উচ্চ-চাপের সমাধান ব্যবহার করে কার্বন থেকে সোনা অপসারণ করে
  • ইলেক্ট্রোলাইসিস: ক্যাথোডগুলিতে দ্রবণ থেকে সোনা পুনরুদ্ধার করে
  • ক্লোজড-লুপ সিস্টেম: দক্ষতা এবং সর্বনিম্ন ক্ষতি নিশ্চিত করে

এই সিস্টেমটি পুনরুদ্ধারের দক্ষতা উন্নত করার জন্য এবং অপারেশনাল খরচ কমানোর জন্য অপরিহার্য, এটি আধুনিক সোনার প্রক্রিয়াকরণ প্ল্যান্টের একটি মূল উপাদান করে তোলে।


কিভাবে একটি desorption ইলেক্ট্রোলাইটিক সিস্টেম কাজ করে

কাজের নীতি aডিসোর্পশন ইলেক্ট্রোলাইটিক সিস্টেমদুটি প্রধান পর্যায় জড়িত:

  1. শোষণ পর্যায়:স্বর্ণ-লোড কার্বন একটি গরম ক্ষারীয় সায়ানাইড দ্রবণ দিয়ে চিকিত্সা করা হয়, সোনার আয়ন মুক্ত করে।
  2. ইলেক্ট্রোলাইসিস পর্যায়:স্বর্ণ সমৃদ্ধ দ্রবণটি একটি ইলেক্ট্রোলাইটিক কোষের মধ্য দিয়ে যায় যেখানে সোনা ইস্পাত উলের ক্যাথোডে জমা হয়।

প্রক্রিয়াটি উচ্চ দক্ষতা নিশ্চিত করে এবং ক্রমাগত অপারেশনের জন্য অনুমতি দেয়, যার কারণে কোম্পানিগুলি থেকে সিস্টেমগুলি পছন্দ করেEPICশিল্প অ্যাপ্লিকেশন ব্যাপকভাবে গৃহীত হয়.


সিস্টেমের প্রধান উপাদান

কম্পোনেন্ট ফাংশন
ডিসর্পশন কলাম সক্রিয় কার্বন ধারণ করে এবং সোনা অপসারণ সহজ করে
ইলেক্ট্রোলাইটিক সেল ইলেক্ট্রোলাইসিসের মাধ্যমে সোনা পুনরুদ্ধার করে
হিট এক্সচেঞ্জার প্রয়োজনীয় তাপমাত্রা বজায় রাখে
ফিল্টার সিস্টেম দ্রবণ থেকে অমেধ্য অপসারণ করে
কন্ট্রোল সিস্টেম অপারেশন স্বয়ংক্রিয় করে এবং পরামিতি নিরীক্ষণ করে

সিস্টেমটি দক্ষতার সাথে এবং ধারাবাহিকভাবে কাজ করে তা নিশ্চিত করতে প্রতিটি উপাদান একটি গুরুত্বপূর্ণ ভূমিকা পালন করে।


প্রযুক্তিগত সুবিধা এবং বৈশিষ্ট্য

  • উচ্চ স্বর্ণ পুনরুদ্ধারের হার (98% পর্যন্ত)
  • কম শক্তি খরচ
  • কম শ্রম খরচ জন্য স্বয়ংক্রিয় অপারেশন
  • স্থান দক্ষতার জন্য কম্প্যাক্ট নকশা
  • ন্যূনতম নির্গমনের সাথে পরিবেশগতভাবে বন্ধুত্বপূর্ণ

নির্মাতারা পছন্দ করেনEPICক্রমবর্ধমান শিল্প চাহিদা মেটাতে এই সিস্টেমগুলিকে ক্রমাগত অপ্টিমাইজ করুন, আরও ভাল কর্মক্ষমতা এবং নির্ভরযোগ্যতা নিশ্চিত করুন।


গোল্ড প্রসেসিং অ্যাপ্লিকেশন

ডিসোর্পশন ইলেক্ট্রোলাইটিক সিস্টেমব্যাপকভাবে ব্যবহৃত হয়:

  • সোনার খনির গাছপালা
  • সিআইপি (কার্বন-ইন-পাল্প) অপারেশন
  • সিআইএল (কার্বন-ইন-লিচ) প্রক্রিয়া
  • গোল্ড tailings পুনরুদ্ধার

এর বহুমুখিতা এটিকে বৃহৎ আকারের শিল্প খনন এবং দক্ষতার উন্নতির জন্য ছোট অপারেশন উভয়ের জন্য উপযুক্ত করে তোলে।


ঐতিহ্যগত পদ্ধতির সাথে তুলনা

বৈশিষ্ট্য ডিসোর্পশন ইলেক্ট্রোলাইটিক সিস্টেম ঐতিহ্যগত পদ্ধতি
কর্মদক্ষতা উচ্চ পরিমিত
অটোমেশন সম্পূর্ণ স্বয়ংক্রিয় ম্যানুয়াল বা আধা স্বয়ংক্রিয়
খরচ কম দীর্ঘমেয়াদী খরচ উচ্চ অপারেশনাল খরচ
পরিবেশগত প্রভাব কম উচ্চতর

স্পষ্টতই, আধুনিক ব্যবস্থা ঐতিহ্যগত সোনা পুনরুদ্ধারের কৌশলগুলির তুলনায় উল্লেখযোগ্য সুবিধা প্রদান করে।


ক্রেতাদের জন্য নির্বাচন নির্দেশিকা

একটি নির্বাচন করার সময়ডিসোর্পশন ইলেক্ট্রোলাইটিক সিস্টেম, নিম্নলিখিত কারণগুলি বিবেচনা করুন:

  • প্রক্রিয়াকরণ ক্ষমতা
  • অটোমেশন স্তর
  • শক্তি দক্ষতা
  • প্রস্তুতকারকের খ্যাতি (যেমন, EPIC)
  • বিক্রয়োত্তর সমর্থন

সঠিক সিস্টেম নির্বাচন করা দীর্ঘমেয়াদী কর্মক্ষম সাফল্য এবং বিনিয়োগের উপর সর্বাধিক রিটার্ন নিশ্চিত করে।


রক্ষণাবেক্ষণ এবং অপারেশনাল টিপস

  • নিয়মিত পাইপলাইন এবং ভালভ পরিদর্শন করুন
  • তাপমাত্রা এবং চাপের মাত্রা নিরীক্ষণ করুন
  • পর্যায়ক্রমে ইলেক্ট্রোলাইটিক কোষগুলি পরিষ্কার করুন
  • জরাজীর্ণ উপাদানগুলি দ্রুত প্রতিস্থাপন করুন
  • কঠোরভাবে প্রস্তুতকারকের নির্দেশিকা অনুসরণ করুন

সঠিক রক্ষণাবেক্ষণ সিস্টেমের জীবনকালকে উল্লেখযোগ্যভাবে প্রসারিত করে এবং সামঞ্জস্যপূর্ণ কর্মক্ষমতা নিশ্চিত করে।


FAQ

1. ডিসোর্পশন ইলেক্ট্রোলাইটিক সিস্টেমের মূল উদ্দেশ্য কী?

এর মূল উদ্দেশ্য সক্রিয় কার্বন থেকে দক্ষতার সাথে সোনা বের করা এবং পুনরুদ্ধার করা।

2. সিস্টেমটি কতটা দক্ষ?

বেশিরভাগ সিস্টেম অপারেটিং অবস্থার উপর নির্ভর করে 95% এর বেশি সোনা পুনরুদ্ধারের হার অর্জন করে।

3. সিস্টেমটি কি পরিবেশ বান্ধব?

হ্যাঁ, আধুনিক সিস্টেমগুলি নির্গমন কমাতে এবং রাসায়নিক বর্জ্য কমানোর জন্য ডিজাইন করা হয়েছে৷

4. এটা কাস্টমাইজ করা যাবে?

হ্যাঁ, EPIC-এর মতো কোম্পানিগুলি প্রক্রিয়াকরণের প্রয়োজনীয়তার উপর ভিত্তি করে কাস্টমাইজযোগ্য সমাধান অফার করে।

5. কোন শিল্প এই সিস্টেম ব্যবহার করে?

প্রাথমিকভাবে সোনার খনির শিল্প, কিন্তু মূল্যবান ধাতু পুনরুদ্ধারের অ্যাপ্লিকেশনগুলিতেও।


উপসংহার

ডিসোর্পশন ইলেক্ট্রোলাইটিক সিস্টেমঅতুলনীয় দক্ষতা, নির্ভরযোগ্যতা এবং পরিবেশগত কর্মক্ষমতা প্রদান করে সোনা পুনরুদ্ধার প্রযুক্তিতে একটি অগ্রগতি উপস্থাপন করে। শিল্প নেতাদের থেকে ক্রমাগত অগ্রগতি সঙ্গেEPIC, এই ব্যবস্থা আধুনিক খনির অপারেশনের জন্য ক্রমশ প্রয়োজনীয় হয়ে উঠছে। আপনি যদি আপনার স্বর্ণ উত্তোলন প্রক্রিয়াকে অপ্টিমাইজ করতে এবং লাভের উন্নতি করতে চান, তাহলে একটি উচ্চ-মানের সিস্টেমে বিনিয়োগ করা একটি স্মার্ট পছন্দ।আমাদের সাথে যোগাযোগ করুনকিভাবে আমরা আপনার প্রয়োজনের জন্য উপযুক্ত সমাধান প্রদান করতে পারি সে সম্পর্কে আরও জানতে আজ।

অনুসন্ধান পাঠান

X
আমরা আপনাকে একটি ভাল ব্রাউজিং অভিজ্ঞতা দিতে, সাইটের ট্র্যাফিক বিশ্লেষণ করতে এবং সামগ্রী ব্যক্তিগতকৃত করতে কুকিজ ব্যবহার করি। এই সাইটটি ব্যবহার করে, আপনি আমাদের কুকিজ ব্যবহারে সম্মত হন। গোপনীয়তা নীতি