English
Español
Português
русский
Français
日本語
Deutsch
tiếng Việt
Italiano
Nederlands
ภาษาไทย
Polski
한국어
Svenska
magyar
Malay
বাংলা ভাষার
Dansk
Suomi
हिन्दी
Pilipino
Türkçe
Gaeilge
العربية
Indonesia
Norsk
تمل
český
ελληνικά
український
Javanese
فارسی
தமிழ்
తెలుగు
नेपाली
Burmese
български
ລາວ
Latine
Қазақша
Euskal
Azərbaycan
Slovenský jazyk
Македонски
Lietuvos
Eesti Keel
Română
Slovenski
मराठी
Srpski језик 2025-04-03
সায়ানাইড বর্জ্য জলের চিকিত্সা রাসায়নিক শিল্পে বরাবরই একটি কঠিন সমস্যা হয়ে দাঁড়িয়েছে। সুতরাং প্রধান কিসায়েনাইডিং সরঞ্জামসাধারণত সায়ানাইড বর্জ্য জল চিকিত্সার জন্য ব্যবহৃত হয়?
সোডিয়াম হাইপোক্লোরাইট জারণ সরঞ্জাম: সোডিয়াম হাইপোক্লোরাইটের শক্তিশালী অক্সিডাইজিং সম্পত্তিটির মাধ্যমে অ-বিষাক্ত পদার্থগুলিতে সায়ানাইডকে অক্সাইডাইজ করুন। সাধারণত একটি সোডিয়াম হাইপোক্লোরাইট জেনারেটর দিয়ে সজ্জিত, সোডিয়াম হাইপোক্লোরাইট দ্রবণটি সাইটে প্রস্তুত করা যেতে পারে। ডিভাইসে সাধারণত একটি ক্লোরিন জেনারেশন ইউনিট, একটি দ্রবীভূত ইউনিট এবং একটি মিটারিং ইউনিট অন্তর্ভুক্ত থাকে। সোডিয়াম হাইপোক্লোরাইট উত্পন্ন করতে সোডিয়াম হাইড্রোক্সাইডের সাথে ক্লোরিন প্রতিক্রিয়া দেখানোর প্রক্রিয়াতে, ক্লোরিন প্রবাহের হার, সোডিয়াম হাইড্রোক্সাইড ঘনত্ব ইত্যাদি হিসাবে প্রতিক্রিয়া শর্তগুলি সোডিয়াম হাইপোক্লোরাইটের গুণমান এবং ডোজের যথার্থতা নিশ্চিত করার জন্য কঠোরভাবে নিয়ন্ত্রণ করা দরকার। এই সরঞ্জামগুলি পরিচালনা করা তুলনামূলকভাবে সহজ, তবে এটি অপারেটরের জন্য উচ্চ দক্ষতা প্রয়োজন এবং অতিরিক্ত বা অপর্যাপ্ত সোডিয়াম হাইপোক্লোরাইট এড়াতে প্রতিক্রিয়া শর্তগুলি কঠোরভাবে নিয়ন্ত্রণ করা দরকার, যার ফলে সায়েনাইডিং সরঞ্জামগুলির চিকিত্সার দুর্বল প্রভাব পড়ে।
ক্লোরিন ডাই অক্সাইড জারণ সরঞ্জাম: ক্লোরিন ডাই অক্সাইডের শক্তিশালী অক্সিডাইজিং বৈশিষ্ট্য রয়েছে এবং সায়ানাইডকে আরও কার্যকরভাবে অক্সাইডাইজ করতে পারে। এর সরঞ্জামগুলিতে একটি ক্লোরিন ডাই অক্সাইড জেনারেটর অন্তর্ভুক্ত রয়েছে এবং সাধারণগুলি হ'ল রাসায়নিক জেনারেটর এবং ইলেক্ট্রোলাইটিক জেনারেটর। রাসায়নিক পদ্ধতি জেনারেটর সোডিয়াম ক্লোরেট বা সোডিয়াম ক্লোরাইটের সাথে হাইড্রোক্লোরিক অ্যাসিডের প্রতিক্রিয়া জানিয়ে ক্লোরিন ডাই অক্সাইড তৈরি করে এবং প্রতিক্রিয়া উপাদান অনুপাত এবং প্রতিক্রিয়া তাপমাত্রা এবং অন্যান্য শর্তগুলি নিয়ন্ত্রণ করতে হবে; ইলেক্ট্রোলাইটিক পদ্ধতি জেনারেটর ক্লোরিন ডাই অক্সাইড উত্পন্ন করতে লবণের দ্রবণটির বৈদ্যুতিন বিশ্লেষণ ব্যবহার করে। সরঞ্জাম কাঠামো তুলনামূলকভাবে জটিল এবং একটি স্থিতিশীল বিদ্যুৎ সরবরাহ এবং তড়িৎ বিশ্লেষণ সিস্টেমের প্রয়োজন। ক্লোরিন ডাই অক্সাইড জারণ পদ্ধতি সরঞ্জামগুলির উচ্চ চিকিত্সার দক্ষতা রয়েছে তবে ব্যয় এবং অপারেশন ব্যয়সায়েনাইডিং সরঞ্জামতুলনামূলকভাবে উচ্চ।
ক্ষারীয় তামা ক্লোরাইড পদ্ধতি সরঞ্জাম: সায়ানাইডকে কম-বিষাক্ত বা অ-বিষাক্ত পদার্থগুলিতে রূপান্তর করতে কপার ক্লোরাইড ক্ষারীয় অবস্থার অধীনে সায়ানাইডের সাথে প্রতিক্রিয়া জানায়। সরঞ্জামগুলিতে মূলত একটি তামা ক্লোরাইড সমাধান প্রস্তুতি ডিভাইস এবং একটি প্রতিক্রিয়া ট্যাঙ্ক অন্তর্ভুক্ত। কপার ক্লোরাইড দ্রবণটি বর্জ্য জলের সায়ানাইড ঘনত্ব অনুযায়ী প্রস্তুত করা দরকার। প্রতিক্রিয়া ট্যাঙ্কে, বর্জ্য জল এবং তামা ক্লোরাইড দ্রবণটি পুরোপুরি মিশ্রিত এবং আলোড়ন দ্বারা প্রতিক্রিয়া জানানো হয়। এই পদ্ধতির একটি ভাল চিকিত্সার প্রভাব রয়েছে, তবে উত্পাদিত তামা স্ল্যাজের পরে চিকিত্সা করা দরকার, অন্যথায় এটি গৌণ দূষণের কারণ হতে পারে।
অ্যাক্টিভেটেড কার্বন শোষণ পদ্ধতি সরঞ্জাম: অ্যাক্টিভেটেড কার্বনের একটি বিশাল নির্দিষ্ট পৃষ্ঠের অঞ্চল এবং সমৃদ্ধ ছিদ্র কাঠামো রয়েছে যা বর্জ্য জলের মধ্যে সায়ানাইডকে বিজ্ঞাপন দিতে পারে। সাধারণত ব্যবহৃত সরঞ্জামগুলিতে সক্রিয় কার্বন শোষণ টাওয়ার অন্তর্ভুক্ত। যখন বর্জ্য জল শোষণ টাওয়ারে সক্রিয় কার্বন স্তর দিয়ে যায়, সায়ানাইড সক্রিয় কার্বনের পৃষ্ঠে সংশ্লেষিত হয়। সক্রিয় কার্বনের শোষণ কর্মক্ষমতা পুনরুদ্ধার করতে শোষণ টাওয়ারটি নিয়মিত ব্যাকওয়াশ করা এবং পুনরায় জেনারেট করা দরকার। অ্যাক্টিভেটেড কার্বন শোষণ পদ্ধতিতে সহজ সরঞ্জাম এবং সুবিধাজনক অপারেশন রয়েছে তবে সক্রিয় কার্বনের পুনর্জন্ম এবং প্রতিস্থাপনের ব্যয় বেশি, এবং শোষণ ক্ষমতা সীমাবদ্ধ, সুতরাং সক্রিয় কার্বন নিয়মিত প্রতিস্থাপন করা দরকার।
শক্তিশালী ক্ষারীয় অ্যানিয়ন এক্সচেঞ্জ রজন সরঞ্জাম: বর্জ্য জল থেকে সায়ানাইড অপসারণ করতে শক্তিশালী ক্ষারীয় অ্যানিয়ন এক্সচেঞ্জ রজন দ্বারা সায়ানাইডের নির্বাচনী শোষণটি ব্যবহার করুন। সরঞ্জামগুলিতে মূলত আয়ন এক্সচেঞ্জ কলাম এবং পুনর্জন্ম ডিভাইস অন্তর্ভুক্ত রয়েছে। শক্তিশালী ক্ষারীয় অ্যানিয়ন এক্সচেঞ্জ রজন আয়ন এক্সচেঞ্জ কলামে পূরণ করা হয়। যখন বর্জ্য জল এক্সচেঞ্জ কলামের মধ্য দিয়ে যায়, সায়ানাইড রজন দ্বারা সংশ্লেষিত হয় এবং বহির্মুখী জল স্রাবের মান পূরণ করে। যখন রজনটি শোষণের সাথে স্যাচুরেটেড হয়, তখন রজনের শোষণ ক্ষমতা পুনরুদ্ধার করতে এটি একটি পুনর্জন্ম এজেন্টের সাথে পুনর্জন্ম করা দরকার। আয়ন এক্সচেঞ্জ পদ্ধতির ভাল চিকিত্সার প্রভাব রয়েছে এবং সায়ানাইড অপসারণ করতে পারে, তবে রজনের পুনর্জন্ম প্রক্রিয়া তুলনামূলকভাবে জটিল, যার জন্য প্রচুর পরিমাণে পুনর্জন্ম এজেন্টের প্রয়োজন হয় এবং রজনের পরিষেবা জীবন সীমাবদ্ধ, সুতরাং এটি নিয়মিত প্রতিস্থাপন করা দরকার।
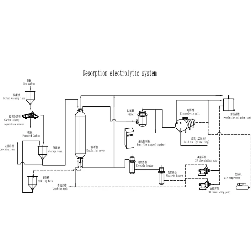
এছাড়াও, বৈদ্যুতিন বিশ্লেষণ চিকিত্সার সরঞ্জাম রয়েছে। ভিন্নসায়েনাইডিং সরঞ্জামতাদের নিজস্ব সুবিধা এবং অসুবিধা রয়েছে। ব্যবহারিক অ্যাপ্লিকেশনগুলিতে, বর্জ্য জলের প্রকৃতি, চিকিত্সার প্রয়োজনীয়তা এবং ব্যয়গুলির মতো বিষয়গুলি ব্যাপকভাবে বিবেচনা করা এবং উপযুক্ত চিকিত্সার সরঞ্জাম নির্বাচন করা বা সর্বোত্তম চিকিত্সার প্রভাব অর্জনের জন্য একাধিক সরঞ্জাম একত্রিত করা প্রয়োজন।