কীভাবে সায়ানাইডিং সরঞ্জাম সোনার পুনরুদ্ধার এবং সাইটের নিরাপত্তার উন্নতি করে?

আপনি যদি কখনও অনুভব করেন যে সায়ানিডেশন "কার্যকর, কিন্তু চাপযুক্ত", আপনি এটি কল্পনা করছেন না। রসায়ন কাজ করে - তবুও প্রতিদিনের বাস্তবতা অগোছালো হতে পারে: পরিবর্তনশীল আকরিক, বিকারক অতিরিক্ত ব্যয়, কার্বনের ক্ষতি, অপ্রত্যাশিত ডাউনটাইম এবং নিরাপদে এবং ধারাবাহিকভাবে কাজ করার জন্য অবিরাম চাপ। এই নিবন্ধটি কি ভেঙ্গেসায়ানাইডিং সরঞ্জামআসলে আপনার জন্য করা উচিত, আপনি কেনার আগে কি জিজ্ঞাসা করতে হবে, এবং কিভাবে সবচেয়ে ব্যয়বহুল ভুল এড়াতে হবে।


বিমূর্ত

আধুনিকসায়ানাইডিং সরঞ্জামশুধুমাত্র ট্যাঙ্কের একটি সেট নয়—এটি একটি সংযুক্ত সিস্টেম যা লিচিং অবস্থা নিয়ন্ত্রণ করতে, পুনরুদ্ধারকে স্থিতিশীল করতে, রিএজেন্ট বর্জ্য কমাতে এবং সায়ানাইড হ্যান্ডলিংকে অনুমানযোগ্য রাখতে ডিজাইন করা হয়েছে। ক্রেতারা সাধারণত চারটি ব্যথা পয়েন্টের সাথে লড়াই করে: অসঙ্গত পুনরুদ্ধার, উচ্চ অপারেটিং খরচ, দুর্বল নিরাপত্তা নিয়ন্ত্রণ এবং রক্ষণাবেক্ষণের মাথাব্যথা। নীচে, আপনি সায়ানাইডিং মডিউলগুলির একটি ব্যবহারিক, প্ল্যান্ট-ফ্লোর ভিউ পাবেন (লিচিং, শোষণ, ডিসর্পশন/ইলেক্ট্রোউইনিং, ডিটক্স এবং ইন্সট্রুমেন্টেশন), একটি নির্বাচন ম্যাট্রিক্স, কমিশনিং টিপস এবং একটি FAQ বিভাগ যা আপনি সরবরাহকারী কথোপকথনের সময় ব্যবহার করতে পারেন।


সূচিপত্র


এক নজরে রূপরেখা

  • একটি সম্পূর্ণ, নিয়ন্ত্রণযোগ্য সরঞ্জামের সুযোগে "আমার সায়ানিডেশন দরকার" অনুবাদ করুন।
  • কোন মডিউলটি আপনার ক্ষতির কারণ (পুনরুদ্ধার, বিকারক, কার্বন, বা ডাউনটাইম) সনাক্ত করুন।
  • আপনার আকরিকের ধরন এবং সীমাবদ্ধতার সমাধানগুলি তুলনা করতে একটি সাধারণ ম্যাট্রিক্স ব্যবহার করুন।
  • একটি চেকলিস্ট সহ সরবরাহকারীর মিটিংয়ে যান যা দুর্বল ডিজাইনগুলি দ্রুত প্রকাশ করে।

প্রকৃত ক্রেতা ব্যথা পয়েন্ট

যখন মানুষ কেনাকাটা করেসায়ানাইডিং সরঞ্জাম, তারা প্রায়ই বলে "আমার উচ্চতর পুনরুদ্ধারের প্রয়োজন।" তারা সাধারণত যা বোঝায় তা হল: "আমার এমন পুনরুদ্ধার দরকার যা আকরিক পরিবর্তন, অপারেটরগুলি ঘোরানো এবং সাইটটি দূরবর্তী থাকা সত্ত্বেও উচ্চ থাকে।" এখানে ব্যথার পয়েন্টগুলি যা বারবার প্রদর্শিত হয়:

  • পুনরুদ্ধার swingsআকরিক পরিবর্তনশীলতা, পিষে যাওয়া সমস্যা, অক্সিজেনের সীমাবদ্ধতা বা দুর্বল পিএইচ নিয়ন্ত্রণের কারণে সৃষ্ট।
  • বিকারক খরচ হামাগুড়িসায়ানাইড বা চুন ওভারডোজ করা থেকে "শুধু নিরাপদ থাকার জন্য।"
  • কার্বন সমস্যাযেমন ফাউলিং, অ্যাট্রিশন লস, বা খারাপ শোষণ গতিবিদ্যা।
  • ডাউনটাইমপাম্প/ভালভ ব্যর্থতা, ঘষিয়া তুলিয়া ফেলিতে সক্ষম স্লারি পরিধান, বা হার্ড-টু-অ্যাক্সেস বিন্যাস থেকে।
  • নিরাপত্তা চাপসায়ানাইড স্টোরেজ, ডোজ এবং জরুরী প্রতিক্রিয়া প্রস্তুতির চারপাশে।

ভাল সরঞ্জাম নকশা সমস্ত জটিলতা দূর করে না, তবে এটি অনুমান করা উচিত।


কি "সায়ানাইডিং সরঞ্জাম" অন্তর্ভুক্ত

Cyaniding Equipment

সর্বনিম্ন,সায়ানাইডিং সরঞ্জামএই ফাংশনগুলিকে সমর্থন করে এমন একটি সিস্টেম হিসাবে বোঝা উচিত:

  • লিচিং: দ্রবীভূত করার জন্য সময়, মিশ্রণ এবং রসায়ন নিয়ন্ত্রণ প্রদান করুন।
  • গোল্ড ক্যাপচার: অ্যাক্টিভেটেড কার্বন (সিআইপি/সিআইএল) বা বৃষ্টিপাতের পথে শোষণ।
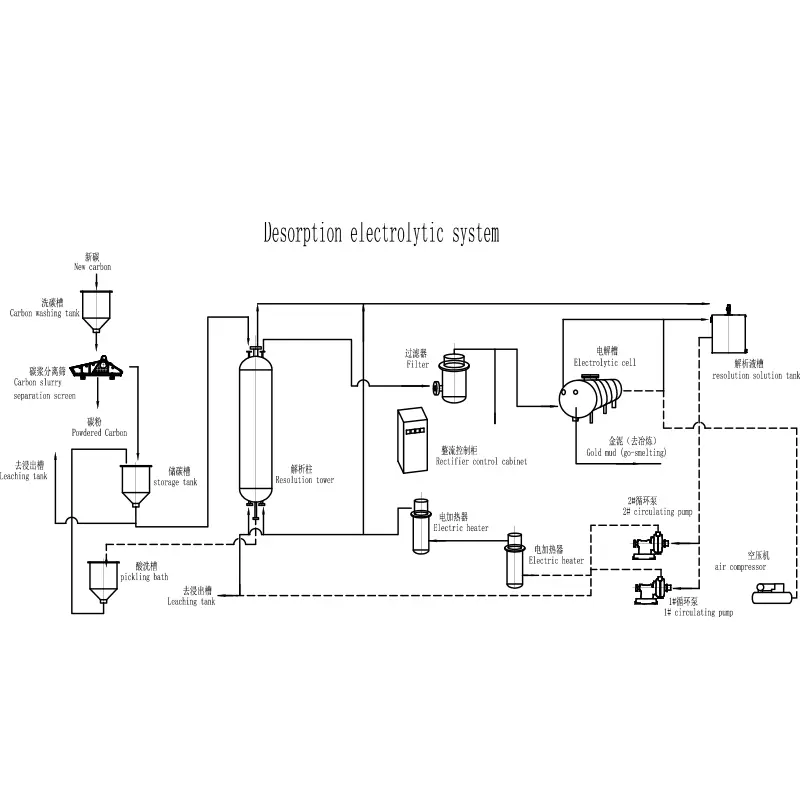
  • স্বর্ণ পুনরুদ্ধার: desorption এবং electrowinning (বা বিকল্প পুনরুদ্ধার সার্কিট)।
  • Detox এবং tailings হ্যান্ডলিং: গ্রহণযোগ্য মাত্রায় অবশিষ্ট সায়ানাইড হ্রাস করুন।
  • ইন্সট্রুমেন্টেশন এবং নিয়ন্ত্রণ: পিএইচ, দ্রবীভূত অক্সিজেন, প্রবাহ এবং ডোজ পরিমাপ এবং স্থিতিশীল করুন।

যদি একজন সরবরাহকারী শুধুমাত্র "ট্যাঙ্ক" সম্পর্কে কথা বলেন, তাহলে পুরো প্রবাহ এবং নিয়ন্ত্রণ পয়েন্টগুলিকে সংজ্ঞায়িত করতে তাদের চাপ দিন। ল্যাব অবস্থার মধ্যে সায়ানিডেশন ক্ষমাশীল; বিশৃঙ্খল ক্ষেত্রের পরিস্থিতিতে এটি ক্ষমাযোগ্য নয়।


ওরে থেকে ডোরে পর্যন্ত একটি পরিষ্কার প্রক্রিয়া মানচিত্র

যদিও প্রতিটি উদ্ভিদ আলাদা, বেশিরভাগ সায়ানিডেশন রুট একটি স্বীকৃত ব্যাকবোন অনুসরণ করে। একটি প্রস্তাবিত প্যাকেজ সম্পূর্ণ হয়েছে কিনা তা পরীক্ষা করার জন্য এই মানচিত্রটি ব্যবহার করুন:

মঞ্চ এটা কি অর্জন করতে হবে সাধারণ "লুকানো" ঝুঁকি
প্রাক-চিকিৎসা (প্রয়োজন অনুযায়ী) সোনা অ্যাক্সেসযোগ্য করুন এবং সায়ানাইড খরচ বৃদ্ধি রোধ করুন preg-ছিনতাই, উচ্চ তামা, বা প্রতিক্রিয়াশীল সালফাইড উপেক্ষা করা
লিচিং স্থিতিশীল মিশ্রণ, নিয়ন্ত্রিত pH, এবং পর্যাপ্ত অক্সিজেন মৃত অঞ্চল, দুর্বল অক্সিজেন স্থানান্তর, দুর্বল চুন সিস্টেম থেকে অনিয়মিত pH
শোষণ (সিআইএল/সিআইপি) দ্রবীভূত স্বর্ণ দক্ষতার সাথে ক্যাপচার করুন ভুল কার্বন আকার/স্থানান্তর পদ্ধতি; কার্বন ক্ষতি
ইলুশন / ডিসর্পশন কার্বন থেকে স্বর্ণকে নির্ভরযোগ্যভাবে ছিনিয়ে নিন অসামঞ্জস্যপূর্ণ গরম/প্রবাহ কম স্ট্রিপিং দক্ষতার দিকে পরিচালিত করে
ইলেক্ট্রোওয়াইনিং / গলানো পুনরুদ্ধার এবং doré উত্পাদন ছোট কোষ, দুর্বল ইলেক্ট্রোলাইট ব্যবস্থাপনা, স্লাজ পরিচালনার সমস্যা
ডিটক্স স্রাব/টেলিংয়ের আগে অবশিষ্ট সায়ানাইড হ্রাস করুন ডিজাইন থ্রুপুট পরিবর্তনশীলতা বা টেলিং রসায়নের সাথে মেলে না

কী মডিউল এবং কি পরীক্ষা করতে হবে

1) লিচিং ট্যাঙ্ক এবং আন্দোলন

  • মিশ্রণ নকশা আপনার স্লারি ঘনত্ব এবং ঘর্ষণ জন্য উপযুক্ত?
  • সিস্টেম কি আকরিক পরিবর্তনশীলতার অধীনে স্থিতিশীল pH বজায় রাখতে পারে?
  • আপনার সাইটে অক্সিজেন সংযোজন কি ব্যবহারিক (এবং ডিজাইনে অক্সিজেন স্থানান্তর বিবেচনা করা হয়)?
  • লেআউটটি কি ইমপেলার, লাইনার এবং বিয়ারিংগুলির সহজ পরিদর্শনের অনুমতি দেয়?

2) কার্বন শোষণ এবং স্থানান্তর

  • ইন্টারস্টেজ স্ক্রিনগুলি কি কার্বন বহন প্রতিরোধ করার জন্য যথেষ্ট শক্তিশালী?
  • ভাঙ্গন এবং ক্ষতি কমাতে কার্বন স্থানান্তর প্রকৌশলী হয়?
  • নকশা পরিষ্কার এবং কার্বন জায় নিয়ন্ত্রণের জন্য বন্ধুত্বপূর্ণ?

3) শোষণ এবং ইলেক্ট্রোইনিং

  • ইলুশন সার্কিট কি আপনার কার্বন লোডিং প্রত্যাশার সাথে মেলে?
  • গরম এবং প্রবাহ নিয়ন্ত্রণ কি স্থিতিশীল ("অপারেটর-নির্ভর" নয়)?
  • স্লাজ পরিচালনা কি পরিকল্পিত, উন্নত নয়?

4) সায়ানাইড ডোজ এবং পরিমাপ

  • ডোজ কি ইন্টারলকের সাথে স্বয়ংক্রিয়, নাকি সম্পূর্ণরূপে ম্যানুয়াল?
  • একটি বাস্তব খনি পরিবেশে ক্রমাঙ্কন এবং সেন্সর রক্ষণাবেক্ষণের জন্য পরিকল্পনা কি?
  • স্যাম্পলিং পয়েন্ট কি নিরাপদ এবং ভাল অবস্থানে আছে, নাকি পরবর্তী চিন্তা?

5) ডিটক্স

  • আপনার স্রাব লক্ষ্য এবং tailings রসায়ন উপর ভিত্তি করে detox নকশা?
  • এটা কি জোর করে শাটডাউন না করে স্বল্প-মেয়াদী স্পাইকগুলি পরিচালনা করতে পারে?

ব্যবহারিক ইঙ্গিত:একটি প্রস্তাব যা কাগজে সস্তা দেখায় তা প্রায়শই অপারেশনে খরচ ঠেলে দেয়—অতিরিক্ত সায়ানাইড, অতিরিক্ত চুন, অতিরিক্ত রক্ষণাবেক্ষণের শ্রম এবং আরও "বীরত্বপূর্ণ" অপারেটর আচরণ। বিল পরে আসে।


সাইজিং এবং স্পেসিফিকেশন বেসিক

আপনার বাজেটকে সুরক্ষিত রাখে এমন প্রশ্ন জিজ্ঞাসা করার জন্য আপনাকে ধাতুবিদ হতে হবে না। জন্যসায়ানাইডিং সরঞ্জাম, কোর সাইজিং লজিক থ্রুপুট, বসবাসের সময় এবং ভর স্থানান্তরের চারপাশে ঘোরে। কোনো চূড়ান্ত নকশা গ্রহণ করার আগে, নিশ্চিত করুন যে এই ইনপুটগুলি স্পষ্টভাবে বলা হয়েছে:

  • ডিজাইন থ্রুপুট(গড় এবং সর্বোচ্চ, প্লাস প্রত্যাশিত ঋতু পরিবর্তনশীলতা)।
  • লক্ষ্য পিষে আকারএবং মিলটি মোটা হয়ে গেলে কি হবে।
  • লিচ বাসস্থান সময়এবং এটি পরীক্ষা বা অনুমানের উপর ভিত্তি করে কিনা।
  • pH এবং ক্ষারত্ব পরিকল্পনা(চুন প্রস্তুতি এবং ডোজ স্থায়িত্ব সহ)।
  • অক্সিজেন কৌশল(বায়ু, অক্সিজেন, বা কিছুই নয়) এবং গতিবিদ্যার উপর প্রত্যাশিত প্রভাব।
  • কার্বন ইনভেন্টরি(কত কার্বন, এটি কোথায় বসে এবং কীভাবে এটি পর্যবেক্ষণ করা হয়)।

যদি একজন সরবরাহকারী সরল ভাষায় এইগুলি ব্যাখ্যা করতে না পারে, তবে এটিকে একটি ঝুঁকি সংকেত হিসাবে বিবেচনা করুন - একটি প্রযুক্তিগততা নয়।


নিরাপত্তা এবং সায়ানাইড নিয়ন্ত্রণ যা প্রকৃতপক্ষে ধরে রাখে

নিরাপত্তা দেয়ালে পোস্টার নয়। সায়ানিডেশনের সাথে, এটি শারীরিক নকশা এবং রুটিন নিয়ন্ত্রণে তৈরি করা হয়েছে। শক্তিশালীসায়ানাইডিং সরঞ্জামপ্যাকেজ সাধারণত অন্তর্ভুক্ত:

  • স্টোরেজ এবং স্থানান্তর রয়েছেপরিষ্কার স্পিল পাথ এবং বান্ডিং লজিক সহ।
  • ইন্টারলকড ডোজতাই মূল শর্ত পূরণ না হলে সায়ানাইড যোগ করা যাবে না।
  • পরিষ্কার নমুনা নকশাযা রুটিন চেকের সময় এক্সপোজার ঝুঁকি কমায়।
  • জরুরী প্রস্তুতিঅপারেটিং পদ্ধতি সেটের অংশ হিসাবে, একটি অ্যাড-অন নথি নয়।

ক্রেতার দৃষ্টিকোণ থেকে, আপনার কাজ সহজ: লোকেরা সিস্টেমের সাথে ঠিক কীভাবে ইন্টারঅ্যাক্ট করে তা দেখানোর জন্য প্রস্তাবটিকে জোর করুন। তারা কোথায় দাঁড়াবে? তারা কি স্পর্শ করে? তারা কিভাবে সরঞ্জাম বিচ্ছিন্ন করবেন? তারা কিভাবে 2 am এ একটি পাম্প সীল ব্যর্থতা প্রতিক্রিয়া?


অপারেটিং খরচ আসলেই কোথা থেকে আসে

যদি আপনার প্রতি আউন্স খরচ ঊর্ধ্বমুখী হয়, তবে এটি সাধারণত একটি নাটকীয় ব্যর্থতা নয় - এটি যৌগিক সিস্টেমে ছোট লিক। সায়ানিডেশনে, সবচেয়ে সাধারণ খরচ চালক হল:

  • সায়ানাইড সেবনপ্রতিক্রিয়াশীল খনিজ, অতিরিক্ত মাত্রার অভ্যাস, বা দুর্বল নিয়ন্ত্রণ লুপ দ্বারা চালিত।
  • চুন সেবনযখন পিএইচ নিয়ন্ত্রণ অস্থির হয় বা স্লারি রসায়ন ভালভাবে বোঝা যায় না।
  • কার্বন ক্ষতিঅ্যাট্রিশন, স্ক্রিন সমস্যা বা দুর্বল স্থানান্তর ডিজাইনের মাধ্যমে।
  • শক্তি এবং রক্ষণাবেক্ষণঅত্যধিক-আন্দোলন থেকে, কম ডিজাইন করা পরিধানের অংশ এবং পরিসেবার জন্য হার্ড-টু-সার্ভিস লেআউট।
উপসর্গ সম্ভবত মূল কারণ সরঞ্জাম বৈশিষ্ট্য যে সাহায্য করে
আকরিক পরিবর্তন হলে পুনরুদ্ধার কমে যায় pH/DO অস্থিরতা; দরিদ্র মিশ্রণ; অপর্যাপ্ত বাসস্থান সময় দৃঢ় আন্দোলন, ভাল নিয়ন্ত্রণ যন্ত্র, নমনীয় ট্যাংক ক্ষমতা
সায়ানাইডের খরচ বেড়েই চলেছে ওভারডোজিং; উচ্চ সায়ানাইড গ্রাসকারী খনিজ; দরিদ্র পরিমাপ নিয়ন্ত্রিত ডোজ, নির্ভরযোগ্য স্যাম্পলিং পয়েন্ট, স্মার্ট ইন্টারলক
কার্বন জায় "রহস্যজনকভাবে" সঙ্কুচিত হয় পর্দা ব্যর্থতা; স্থানান্তর ক্ষতি; ক্ষয় টেকসই ইন্টারস্টেজ স্ক্রিন, মৃদু স্থানান্তর নকশা, পরিষ্কার কার্বন অ্যাকাউন্টিং
ঘন ঘন শাটডাউন পরিধান যন্ত্রাংশ, পাম্প সিলিং, অ্যাক্সেস সমস্যা পরিধান-প্রতিরোধী উপকরণ, রক্ষণাবেক্ষণ অ্যাক্সেস, প্রমিত খুচরা জিনিসপত্র

নির্ভরযোগ্যতা এবং রক্ষণাবেক্ষণ নকশা

Cyaniding Equipment

একটি সায়ানিডেশন সার্কিট দেখতে "সম্পূর্ণ" হতে পারে এবং এখনও অবিশ্বাস্য হতে পারে যদি রক্ষণাবেক্ষণ ডিজাইন না করা হয়। সরবরাহকারীর কাছে কীভাবে আসে তা জিজ্ঞাসা করুন:

  • উপকরণ নির্বাচনঘষিয়া তুলিয়া ফেলিতে সক্ষম স্লারি জোন এবং সায়ানাইড-যোগাযোগ অঞ্চলের জন্য।
  • অ্যাক্সেসস্ক্রিন, ইমপেলার, লাইনার, পাম্প এবং ইন্সট্রুমেন্টেশনে।
  • খুচরা যন্ত্রাংশ কৌশলযা আপনার সাইটের বাস্তবতার সাথে মিলে যায় (লিড টাইম, লজিস্টিকস, স্টকিং)।
  • প্রমিতকরণঅনন্য পরিধান আইটেম সংখ্যা কমাতে.

দূরবর্তী ক্রিয়াকলাপগুলিতে, "রক্ষণাবেক্ষণ করা সহজ" "কাগজে কিছুটা বেশি দক্ষ" এর চেয়ে বেশি মূল্যবান হতে পারে।


সরবরাহকারীর প্রশ্ন আপনার জিজ্ঞাসা করা উচিত

মিটিংয়ে এই চেকলিস্ট ব্যবহার করুন। কথোপকথনকে বিতর্কে পরিণত না করে দ্রুত দুর্বল প্রস্তাবগুলিকে সামনে আনতে এটি ডিজাইন করা হয়েছে৷

  • কোন আকরিক ঝুঁকি দূরে অনুমান করা হয়, এবং কোনটির জন্য সক্রিয়ভাবে প্রকৌশলী করা হয়?
  • বসবাসের সময়, পিএইচ পরিসীমা এবং অক্সিজেন কৌশলের জন্য ডিজাইন ইনপুটগুলি কী কী?
  • কিভাবে সায়ানাইড ডোজ নিয়ন্ত্রণ করা হয়, এবং সেন্সর ব্যর্থতার সময় কি ঘটে?
  • কিভাবে কার্বন ক্ষতি প্রতিরোধ করা হয় এবং রুটিন অপারেশন পরিমাপ করা হয়?
  • পর্দা, আন্দোলনকারী এবং পাম্পের জন্য রক্ষণাবেক্ষণ অ্যাক্সেসের পরিকল্পনা কী?
  • প্রতি শিফটে প্রস্তাবিত অপারেটর চেকগুলি কী কী এবং কীভাবে সেগুলি নিরাপদ করা হয়?
  • কোন কমিশনিং সহায়তা অন্তর্ভুক্ত করা হয় এবং কোন অপারেটর প্রশিক্ষণ প্রদান করা হয়?

আপনি যদি বিক্রেতাদের মূল্যায়ন করেন তবে এটি এমন একটি প্রস্তুতকারকের সাথে কথা বলতে সাহায্য করতে পারে যা একটি সম্পূর্ণ সায়ানিডেশন প্যাকেজ সরবরাহ করতে পারে এবং ইন্টিগ্রেশনের বিবরণ সমর্থন করতে পারে। যেমন, কিংডাও EPIC মাইনিং মেশিনারি কোং, লিমিটেড।মাইনিং প্রসেসিং ইকুইপমেন্ট সলিউশন প্রদান করে যেখানে সায়ানিডেশন প্যাকেজগুলিকে সিস্টেম হিসাবে বিবেচনা করা হয় - লিচিং, শোষণ, পুনরুদ্ধার এবং নিয়ন্ত্রণ - ট্যাঙ্কের সংযোগ বিচ্ছিন্ন সেটের পরিবর্তে।


FAQ

সায়ানাইডিং ইকুইপমেন্টকে কি মৌলিক না করে "আধুনিক" করে তোলে?

আধুনিক ডিজাইনগুলি নিয়ন্ত্রণযোগ্যতা এবং পুনরাবৃত্তিযোগ্যতার উপর ফোকাস করে: স্থিতিশীল ডোজ, নির্ভরযোগ্য পরিমাপ, নিরাপদ নমুনা, শক্তিশালী পরিধান সুরক্ষা, এবং লেআউট যা অপারেটর ইম্প্রোভাইজেশনকে হ্রাস করে। লক্ষ্য হল কম বিকারক বর্জ্য এবং কম শাটডাউন সহ ধারাবাহিক পুনরুদ্ধার।

সায়ানাইডিং সরঞ্জাম অর্থনৈতিকভাবে নিম্ন-গ্রেড আকরিক পরিচালনা করতে পারে?

এটা করতে পারে, কিন্তু শুধুমাত্র যখন সার্কিট আপনার গতিবিদ্যা এবং খরচ প্রোফাইলের চারপাশে ইঞ্জিনিয়ার করা হয়। নিম্ন-গ্রেডের অপারেশনগুলি রিএজেন্ট অতিরিক্ত ব্যয় এবং ডাউনটাইমের প্রতি সংবেদনশীল হতে থাকে, তাই নিয়ন্ত্রণ ব্যবস্থা, পরিধানের নকশা এবং কার্বন ব্যবস্থাপনা বিশেষভাবে গুরুত্বপূর্ণ হয়ে ওঠে।

আমার সিআইপি বা সিআইএল প্রয়োজন কিনা আমি কিভাবে জানব?

পছন্দ সাধারণত লিচ গতিবিদ্যা এবং কত দ্রুত দ্রবীভূত সোনা ক্যাপচার করা উচিত উপর নির্ভর করে। যদি সোনা দ্রুত দ্রবীভূত হয় এবং আপনি অবিলম্বে ক্যাপচার করতে চান, CIL আকর্ষণীয় হতে পারে। শোষণের আগে বিচ্ছেদ থেকে লিচিং উপকার করলে, সিআইপি আরও ভাল ফিট হতে পারে। ধাতুবিদ্যা পরীক্ষা এবং ব্যবহারিক সাইট সীমাবদ্ধতা সিদ্ধান্ত চালিত করা উচিত.

কেন সায়ানাইড সেবন মাঝে মাঝে হঠাৎ করে বেড়ে যায়?

সাধারণ কারণগুলির মধ্যে রয়েছে আকরিক খনিজ পরিবর্তন, দুর্বল pH নিয়ন্ত্রণ, অপ্রত্যাশিত অক্সিজেন সীমাবদ্ধতা, বা প্রক্রিয়া জলে দূষণ। একটি ভাল নিয়ন্ত্রণ পরিকল্পনা এবং নির্ভরযোগ্য স্যাম্পলিং পয়েন্ট এই স্পাইকগুলিকে দ্রুত নির্ণয় এবং সংশোধন করা সহজ করে তোলে।

আমার সাইট যদি দূরবর্তী এবং স্বল্প কর্মী হয় তাহলে আমার কী অগ্রাধিকার দেওয়া উচিত?

রক্ষণাবেক্ষণযোগ্যতা এবং স্বয়ংক্রিয়তাকে অগ্রাধিকার দিন যা ম্যানুয়াল হ্যান্ডলিং হ্রাস করে: টেকসই স্ক্রিন, অ্যাক্সেসযোগ্য সরঞ্জাম লেআউট, স্ট্যান্ডার্ডাইজড স্পেয়ার, ইন্টারলকড ডোজ এবং পরিষ্কার অপারেটিং রুটিন যা "একজন বিশেষজ্ঞ অপারেটরের" উপর নির্ভর করে না।


মোড়ানো আপ

কেনাসায়ানাইডিং সরঞ্জামশেষ পর্যন্ত অনিশ্চয়তা হ্রাস সম্পর্কে. রসায়ন প্রমাণিত হতে পারে, কিন্তু আপনার লাভজনকতা ধারাবাহিক নিয়ন্ত্রণ, ব্যবহারিক রক্ষণাবেক্ষণ এবং নিরাপত্তার উপর নির্ভর করে যা প্রকৃত মানুষের সাথে বাস্তব পরিবর্তনে কাজ করে। আপনি যদি একটি নতুন প্ল্যান্টের পরিকল্পনা করছেন বা একটি বিদ্যমান সার্কিট আপগ্রেড করছেন, তাহলে আপনার আকরিক বাস্তবতা, থ্রুপুট লক্ষ্য এবং সাইটের সীমাবদ্ধতাগুলিকে টেবিলে আনুন-এবং একটি প্রস্তাবে জোর দিন যা সায়ানিডেশনকে একটি সম্পূর্ণ, নিয়ন্ত্রণযোগ্য সিস্টেম হিসাবে বিবেচনা করে।

আপনার সায়ানিডেশন পরিকল্পনাকে একটি নির্ভরযোগ্য, ব্যয়-স্থিতিশীল অপারেশনে পরিণত করতে প্রস্তুত?আপনার আকরিক ধরন, লক্ষ্য ক্ষমতা, এবং সাইটের অবস্থা শেয়ার করুন, এবংআমাদের সাথে যোগাযোগ করুনআপনার প্ল্যান্ট এবং আপনার অপারেটরদের জন্য উপযুক্ত একটি ব্যবহারিক সরঞ্জাম কনফিগারেশন নিয়ে আলোচনা করতে।

অনুসন্ধান পাঠান

X
আমরা আপনাকে একটি ভাল ব্রাউজিং অভিজ্ঞতা দিতে, সাইটের ট্র্যাফিক বিশ্লেষণ করতে এবং সামগ্রী ব্যক্তিগতকৃত করতে কুকিজ ব্যবহার করি। এই সাইটটি ব্যবহার করে, আপনি আমাদের কুকিজ ব্যবহারে সম্মত হন। গোপনীয়তা নীতি